Washing machines




Washing machines



Error Code

Total results related to washer, error code issue (11)

  • Washing machine displays error code EF5
    Issue:
    • Washing machine does not spin
    • Washing machine displays error code EF5 - unbalanced load
    • Laundry is still wet after the programme is finished

    Applies to:
    • Washing machine
    • Washer dryer

    Applies to model numbers:

    EWW1042AEWA, EWW8023AEWA, EWW1141AEWA, EWW7024FDWA, EWF7525EQWA, EWF8025CQWA, EWF1141SEWA, EWF9023BDWA, EWF1141AEWA, EWF1042BDWA, EWF9025BQWA, EWF8025DGWA

    Resolution:

    If your washer is not spinning, the below fixes may help...

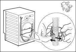
    Make sure that the transit bolts are removed from the back of the appliance.

    1. Remove the power supply cable and the drain hose from the hose holders.

    Caution: It is possible to see water flowing from the drain hose. This is due to the testing with water of the appliance in factory.

    image11lt.png

    2. Remove the three bolts, the hose holders and plastic spacers by using the spanner supplied with the appliance.

    image69w1h.png

    3. Close the holes with the plastic caps provide in the User Manual package. Put the smallest cap F in the upper hole and the two bigger caps G in the lower holes.

    imagevy13i.png

    Make the washing machine level by raising or lowering the feet.

    • Use a spirit level to check whether the machine is level on all its feet.
    • Adjust the feet using a spanner


    Check if the laundry is loaded correctly.

    Very small loads can cause balance problems with the spin phase leading to excessive vibration. If this occurs:

    • Interrupt the programme and open the door
    • Manually redistribute the load so that the items are spaced evenly around the tub
    • Press the Start/Pause button.The spin phase continues


    Make sure that the drain filter is not clogged.

    • Clean the filter, if necessary.
    • For detailed procedure refer to the user manual supplied with your appliance.


    Make sure the Rinse Hold option is not selected.

    • With this option selected the final spin is not performed
    • The water of the last rinse is not drained out to prevent the fabrics from creasing
    • The washing program ends with water in the drum.


    Is the appliance installed on a suspended floor?

    • To limit vibration, we recommend placing a waterproof wooden panel, at least 15mm thick, under the appliance. It should be screwed to at least 2 floor beams and should extend beyond the front feet. If possible, install the appliance where the floor is more stable.


    If the problem occurs persists, please contact Electrolux Service Centre for more support.

    Warning: We do not recommend using the product until the problem has been completely fixed. Unplug the product and do not plug it in again until the problem is fixed.

  • My washing machine displays error code E20, not draining
    Issue:
    • Washing machine displays error message E20, E21 or C2, emits 2 beeps or 2 flashes.
    • Washing machine does not drain
    • The drum does not turn
    • The appliance makes an unusual noise because of the blockage of the drain pump

    Applies to:
    • Front loader washing machine (integrated and freestanding)
    • Top loader washing machine
    • Washer dryer

    Applies to model numbers:

    EWW1042AEWA, EWW8023AEWA, EWW1141AEWA, EWW7024FDWA, EWF7525EQWA, EWF8025CQWA, EWF1141SEWA, EWF9023BDWA, EWF1141AEWA, EWF1042BDWA, EWF9025BQWA, EWF8025DGWA, EW6T4722AF, EWT1066EWW

     

    Resolution:

    1.  Ensure the drain hose is in the correct position

    The drain hose should extend no more than 10 cm down into the drain.

    For installation instructions of your appliance, please refer to your appliance user manual.

     

    2.  Ensure correct drain height.

    The height of the drain must be no more than 100 cm and no less than 60 cm above the base of the machine or as shown in the user manual.

    Refer to the installation instructions in your user manual or separate installation leaflet supplied with your appliance.

    Instruction guide


    3. Clean the pump and filter.

    Clean the pump and fluff filter, including the pump blade (if the pump blade is visible, rotate it with a pencil and refit the filter). Then start a hot wash without adding any soap powder to clean out the drainage system.

    For detailed procedure refer to the user manual supplied with your appliance.

     

    4. Check for a blocked drain.

    Check the hose connected to the sink trap, and check if the sink is draining normally to rule out the blockage. Check whether the drains are draining satisfactorily. Try a wash with the drain hose in a bowl or sink.

    if the washing machine is working correctly after the test wash, it may indicate that the siphon/outlet is clogged - make sure the siphon/outlet is clear

     

    5. If the drain hose has been extended as shown in the above installation diagram, check the place where the hoses are connected (due to the reduced flow diameter, it is more likely to be blocked)

     

    6. Check the drainage hose for possible kink or twist.

    Kink or twist in the drain hose may prevent the water from flowing through the hose. You can check it behind the machine.

     

    7. Use less soap powder.

    When a lot of soap powder is used or a lot of foam is produced, the level system can get blocked by foam.

    You can fix this by switching off the machine and shaking the drum forwards and backwards several times. Clean the drain pump/filter and then run a hot wash without any soap powder.

     

    8. Switch off the power to the washing machine.

    The problem may be solved by switching off the power to the washing machine for about 1-2 hours and then starting a wash cycle again.

    If the pump has been blocked, a bimetal fuse will switch off the pump. When the pump has cooled down, it should work normally.

     

    9. Contact Electrolux Service Center.

    If the above suggestions did not solve the problem, we recommend requesting a visit by a service engineer.

    Make a note of the reported error code and quote it when you request an engineer. This will not solve your problem, but it will help our engineer identify the cause of the problem.

     

    WarningWe do not recommend using the appliance until the problem has been completely fixed. Unplug the appliance and do not plug it in again until you are certain that it is OK to do so.

     

    Cause:
    • There is a problem with the draining of your appliance
    • Drain pipe blocked up
    • Blocked/dirty filter
    • Drain pump defective
  • Washing machine does not drain, displays error message E20, E21 or C2, emits 2 beeps / 2 flashes
    Issue:
    • Washing machine displays error message E20, E21 or C2, emits 2 beeps or 2 flashes.
    • Washing machine does not drain
    • The drum does not turn
    • The appliance makes an unusual noise because of the blockage of the drain pump

    Applies to:
    • Front loader washing machine (integrated and freestanding)
    • Top loader washing machine
    • Washer dryer

    Applies to model numbers:

    EWW1042AEWA, EWW8023AEWA, EWW1141AEWA, EWW7024FDWA, EWF7525EQWA, EWF8025CQWA, EWF1141SEWA, EWF9023BDWA, EWF1141AEWA, EWF1042BDWA, EWF9025BQWA, EWF8025DGWA, EW6T4722AF, EWT1066EWW

     

    Resolution:

    1.  Ensure the drain hose is in the correct position

    The drain hose should extend no more than 10 cm down into the drain.

    For installation instructions of your appliance, please refer to your appliance user manual.

     

    2.  Ensure correct drain height.

    The height of the drain must be no more than 100 cm and no less than 60 cm above the base of the machine or as shown in the user manual.

    Refer to the installation instructions in your user manual or separate installation leaflet supplied with your appliance.

    Instruction guide


    3. Clean the pump and filter.

    Clean the pump and fluff filter, including the pump blade (if the pump blade is visible, rotate it with a pencil and refit the filter). Then start a hot wash without adding any soap powder to clean out the drainage system.

    For detailed procedure refer to the user manual supplied with your appliance.

     

    4. Check for a blocked drain.

    Check the hose connected to the sink trap, and check if the sink is draining normally to rule out the blockage. Check whether the drains are draining satisfactorily. Try a wash with the drain hose in a bowl or sink.

    if the washing machine is working correctly after the test wash, it may indicate that the siphon/outlet is clogged - make sure the siphon/outlet is clear

     

    5. If the drain hose has been extended as shown in the above installation diagram, check the place where the hoses are connected (due to the reduced flow diameter, it is more likely to be blocked)

     

    6. Check the drainage hose for possible kink or twist.

    Kink or twist in the drain hose may prevent the water from flowing through the hose. You can check it behind the machine.

     

    7. Use less soap powder.

    When a lot of soap powder is used or a lot of foam is produced, the level system can get blocked by foam.

    You can fix this by switching off the machine and shaking the drum forwards and backwards several times. Clean the drain pump/filter and then run a hot wash without any soap powder.

     

    8. Switch off the power to the washing machine.

    The problem may be solved by switching off the power to the washing machine for about 1-2 hours and then starting a wash cycle again.

    If the pump has been blocked, a bimetal fuse will switch off the pump. When the pump has cooled down, it should work normally.

     

    9. Contact Electrolux Service Center.

    If the above suggestions did not solve the problem, we recommend requesting a visit by a service engineer.

    Make a note of the reported error code and quote it when you request an engineer. This will not solve your problem, but it will help our engineer identify the cause of the problem.

     

    WarningWe do not recommend using the appliance until the problem has been completely fixed. Unplug the appliance and do not plug it in again until you are certain that it is OK to do so.

     

    Cause:
    • There is a problem with the draining of your appliance
    • Drain pipe blocked up
    • Blocked/dirty filter
    • Drain pump defective
  • My washing machine displays error message E80-E87 or emits 8 flashes
    Issue:
    • Washing machine displays error code E80 (or any code beginning with E81, E82 etc.). It generally refers to a problem with the recirculation pump or User Interface of your washing machine

    Applies to:
    • Front loader washing machine
    • Top loader washing machine
    • Washer-dryer

    Applies to model numbers:

    EWW1042AEWA, EWW8023AEWA, EWW1141AEWA, EWW7024FDWA, EWF7525EQWA, EWF8025CQWA, EWF1141SEWA, EWF9023BDWA, EWF1141AEWA, EWF1042BDWA, EWF9025BQWA, EWF8025DGWA, EW6T4722AF, EWT1066EWW


    Resolution:

    Please contact Electrolux Service Centre.

    A service visit by one of our service engineers is recommended.

    Make a note of the reported error code and quote it when you request an engineer. This will not solve your problem, but it will help our engineer identify the cause of the problem.

     

    WarningWe do not recommend using the product until the problem has been completely fixed. Unplug the product and do not plug it in again until you are certain that it is OK to do so.


    Cause:
    • A fault with the recirculation pump or control panel on your machine
  • Washing machine displays error message E60
    Issue:
    • Washing machine displays error message E60 (or any code beginning with E61, E62 etc.). It generally refers to a heating problem with the machine.

    Applies to:
    • Washing machine
    • Washer dryer (integrated and freestanding)
    • Top loader washing machine

    Applies to model numbers:

    EWW1042AEWA, EWW8023AEWA, EWW1141AEWA, EWW7024FDWA, EWF7525EQWA, EWF8025CQWA, EWF1141SEWA, EWF9023BDWA, EWF1141AEWA, EWF1042BDWA, EWF9025BQWA, EWF8025DGWA, EW6T4722AF, EWT1066EWW


    Resolution:

    Please contact Electrolux Service Centre.

    A service visit by our service engineer is recommended.

    Make a note of the reported error code and quote it when you request an engineer. This will not solve your problem, but it will help our engineer identify the cause of the problem.

     

    WarningWe do not recommend using the product until the problem has been completely fixed. Unplug the product and do not plug it in again until you are certain that it is OK to do so.


    Cause:
    • Error E60 generally refers to a heating problem with the machine
  • Washing machine displays error message E70
    Issue:
    • Washing machine displays error message E70 (or any code beginning with E7*). It generally refers to a temperature sensor problem with the machine.

    Applies to:
    • Washing machine
    • Washer-dryer

    Applies to model numbers:

    EWW1042AEWA, EWW8023AEWA, EWW1141AEWA, EWW7024FDWA, EWF7525EQWA, EWF8025CQWA, EWF1141SEWA, EWF9023BDWA, EWF1141AEWA, EWF1042BDWA, EWF9025BQWA, EWF8025DGWA, EW6T4722AF, EWT1066EWW


    Resolution:

    Please contact Electrolux Service Centre.

    A service visit by one of our service engineers is recommended.

    Make a note of the reported error code and quote it when you request an engineer. This will not solve your problem, but it will help our engineer identify the cause of the problem.

     

    WarningWe do not recommend using the product until the problem has been completely fixed. Unplug the product and do not plug it in again until you are certain that it is OK to do so.


    Cause:
    • The Temperature (NTC) sensor in your appliance has stopped working or is damaged
  • Washing machine displays error message E30, C3 or emits 3 beeps
    Issue:
    • Washing machine displays error message E30, E31, E32, E35, E38,C3 or emits 3 beeps.

    Applies to:
    • Front loader washing machine
    • Top loader washing machine
    • Washer-dryer

    Applies to model numbers:

    EWW1042AEWA, EWW8023AEWA, EWW1141AEWA, EWW7024FDWA, EWF7525EQWA, EWF8025CQWA, EWF1141SEWA, EWF9023BDWA, EWF1141AEWA, EWF1042BDWA, EWF9025BQWA, EWF8025DGWA, EW6T4722AF, EWT1066EWW


    Resolution:
    • Clean the pump and filter.
    • Clean the pump and fluff filter. Then start a hot wash without adding any soap powder to clean out the drainage system.
    • Check for a blocked drain.
    • Check the hose connected to the sink trap,and check if the sink is draining normally to rule out blockage. Check whether the drains are draining satisfactorily. Try a wash with the drain hose in a bowl or sink.
    • If the above steps don't resolve the issue then a service visit by one of our approved service providers is recommended.

    Cause:

    Water inlet valve defective, Pressure switch/sensor defective, Drain pipe blocked up, Blocked/dirty filter or Drain pump defective

  • Washing machine displays error message E90, E91, E92, E93, E94, E97, E98 or E9E/C
    Issue:
    • Washing machine displays error message E90, E91, E92, E93, E94, E97, E98 or E9E/C

    Applies to
    • Washing machine (integrated and freestanding)
    • Top loader washing machine

    Applies to model numbers:

    EWW1042AEWA, EWW8023AEWA, EWW1141AEWA, EWW7024FDWA, EWF7525EQWA, EWF8025CQWA, EWF1141SEWA, EWF9023BDWA, EWF1141AEWA, EWF1042BDWA, EWF9025BQWA, EWF8025DGWA, EW6T4722AF, EWT1066EWW


    Resolution:

    Reset the appliance, remove the plug from the socket, wait 30 seconds and then plug it in again.

    If the above does not resolve the issue, please contact Electrolux Service Centre and arrange a service visit by one of our service engineers is  recommended.

    Make a note of the reported error code and quote it when you request an engineer. This will not solve your problem, but it will help our engineer identify the cause of the problem.


    Cause:
    • There is an issue with the Main Electronic or User Interface on your appliance
  • Washing machine displays warning code EF0, EFO, EF3 or emits 15 beeps / 15 flashes
    Issues:
    • Washing machine displays warning code EF0, EFO, EF3 or emits 15 beeps / 15 flashes
    • Water leak detected (EF3) and automaticsafetymodeactivated

    Applies to:
    • Washing machines
    • Washer-dryers

    Applies to model numbers:

    EWW1042AEWA, EWW8023AEWA, EWW1141AEWA, EWW7024FDWA, EWF7525EQWA, EWF8025CQWA, EWF1141SEWA, EWF9023BDWA, EWF1141AEWA, EWF1042BDWA, EWF9025BQWA, EWF8025DGWA, EW6T4722AF, EWT1066EWW


    Resolution:


    EF0 or EF3 warning message on the display can have several causes.

    If you identify one of the below points as the cause of the warning, the message disappears automatically at the end of the program or when the next program is restarted

     

    1.  Using too much detergent may cause excessive foaming

    When a lot of soap powder is used or a lot of foam is produced, the level system can get blocked by foam. You can fix this by switching off the machine and shaking the drum forwards and backwards several times. Clean the drain pump/filter and then run a hot wash without any soap powder.

     

    2.  Clean the dispenser drawer

    If the dispenser drawer or the sprinkler plate over the drawer is very dirty or covered in limescale, the water may flow out and cause the problem.

    Clean the dispenser drawer in accordance with the user manual and try the appliance again. For more information, please refer to User Manual.

     

    3.  Check for laundry caught in the machine.

    Clothing caught between the door seal and the glass can cause the door leak and allow water to run down the front and down into the bottom tray.

    • Disconnect the appliance from the water and power supplies and then place a towel behind the washing machine on the floor.
    • Tilt the appliance backwards a little, so that there is around 10–15 cm between the floor and the kickboard on the front.
    • Hold the appliance in position for about 30–40 seconds to allow the water in the bottom tray flow out onto the towel.
    • Lower the appliance to the floor and reconnect it.
    • Check the water supply and drainage.
    • Check if the filters in the inlet hose and water valve are clean (where the inlet hose is screwed onto the appliance and at the water tap).
    • Start a wash cycle and see whether the problem has been resolved.


    If the error occurs a
    gain, the machine should be inspected by a service technician

    4. Check for leaks at the bottom – fluff

    Remove the filter and clean it according to the user manual.

    Check whether the filter is damaged. If the filter is intact, refit it and tighten it firmly by hand.

    5. Check the water supply hose for a possible leak (EF3 - Aqua-Control system warning)

    Any leak in the hose can cause the water to flow out into the machine next to the back panel, so check the connection of the water supply hose to the tap and machine.

    If this is the cause, the machine should be tipped as shown under “Check for laundry caught in the machine” so that the machine can start again.

     

    6. Check the door seal.

    The error may be caused by the machine’s door seal leaking. Verify it by opening the door and examining the door seal.
    imageqkdc.png

    The seal should not be damaged, cracked or have holes. If the door seal is faulty, it must be replaced by a service engineer. Do not use the machine until it has been repaired.

    Turn off the water supply to the machine.

    7. For further product support, please contact Electrolux Service Centre.

    If the above advice does not resolve the problem, we recommend requesting a visit by our service engineer.

  • Washing machine displays error message E40, E41 or emits 4 beeps / 4 flashes
    Issue:
    • Washing machine displays error message E40, E41, E42, E43, E44 & E45
    • Washing machine emits 4 beeps / 4 flashes

    Applies to:
    • Front loader washing machine
    • Top loader washing machine
    • Washer-dryer

    Applies to model numbers:
     

    EWW1042AEWA, EWW8023AEWA, EWW1141AEWA, EWW7024FDWA, EWF7525EQWA, EWF8025CQWA, EWF1141SEWA, EWF9023BDWA, EWF1141AEWA, EWF1042BDWA, EWF9025BQWA, EWF8025DGWA, EW6T4722AF, EWT1066EWW


    Resolution:

     

    1. Check if the door/lid is properly closed.

    If necessary, give the door/lid a firm push. You can hear a click.

     

    2. Check whether any laundry is caught between the door seal and door glass.

    If necessary, remove some laundry from the drum before restarting the cycle.

     

    3. There is too much laundry in the machine (overload).

    If necessary, remove some laundry from the drum before restarting the cycle.

    4. Check the mechanical child safety lock (if applicable).

    Disable the child safety lock using a coin or similar object and try again.

    For more detailed information, please refer to User Manual.

    If the above steps do not resolve the issue, please contact our Electrolux Service Centre for further support.


    Cause:
    • The appliance door/lid is open or not closed correctly
    • The appliance is overloaded
    • The door lock is faulty
  • Washing machine displays error message EHO / EH0, EH1, EH2, EH3
    Issue:
    • Washing machine displays one of the following error messages: EHO / EH0, EH1, EH2, EH3

    Applies to:
    • Front loader washing machine (integrated and freestanding)
    • Top loader washing machine

    Applies to model numbers:
     

    EWW1042AEWA, EWW8023AEWA, EWW1141AEWA, EWW7024FDWA, EWF7525EQWA, EWF8025CQWA, EWF1141SEWA, EWF9023BDWA, EWF1141AEWA, EWF1042BDWA, EWF9025BQWA, EWF8025DGWA, EW6T4722AF, EWT1066EWW


    Resolution:
    1. Check the power supply by plugging a different product into the same socket and see whether that

    If the other product also does not work, the problem is probably with the wiring fault.

     

    WarningNever use an extension cable to connect appliances. This can cause a short-circuit or fire hazard.

    ImportantContact your local electrician for advice and guidance on fixing wiring problems.

    2.  Reset the appliance.

    • Remove the plug from the socket, wait 30 seconds and then plug it in again (The same result may be achieved by using the safety switch).
    • After plugging in the appliance, switch it on and select a program.

    If the above steps do not resolve the issues, please contact your local Electrolux Service Centre for further support.

    WarningWe do not recommend using the product until the problem has been completely fixed. Unplug the product and do not plug it in again until you are certain that it is OK to do so.


    Cause:
    • EH0 - indicates a problem with the power supply
    • EH1 - Frequency of power supply out of range
    • EH2 - Supply voltage too high
    • EH3 - Supply voltage too low
+65 6727 3699